多层住宅及小高层住宅安装太阳能热水系统,一般可选择的太阳能热水系统方案有多种,我们这里主要介绍几种常见的。用户可根据实际情况选择不同的方案。
一、集中集热——分户储热式太阳能热水系统
集中集热——分户储热式系统,太阳能集热器集中安装在屋顶,能够和建筑结合,能够更好的吸收太阳光;分户储热水箱可以安装在卫生间或室内合适位置;有少量的公摊能源电(热水循环水泵用电),物业相对便于管理;每户的用水是自己的,每户的储热水箱辅助电加热也是自己的。
多层、小高层住宅太阳能热水系统(集热器集中安装屋各栋各单元屋顶)
分户水箱安装于各层各户
集中集热——分户储热式系统一般又有两类,一类为闭式系统,一类为开式系统,下面分别做出介绍。
1.1、集中集热——分户储热平板闭式太阳能热水系统
1.1.1、闭式系统特点分析及介绍
集中集热——分户储热平板闭式系统运行复杂,安装复杂,运行为闭式强制二次换热循环系统,导热介质为防冻液,因为平板太阳能保温性能不好,如果用水做为导热介质当冬天天气达到0度时就会把平板铜管冻坏,导致整个系统瘫痪。对安装循环管道技术含量高,循环管道不能有一点的泄漏,一旦循环管道泄漏,整套系统瘫痪,成本价格高(一般每户5000元以上)。
集中集热——分户储热辅热式太阳能热水系统是指太阳能集热器集中、统一规划安装于建筑物屋面部分,不单独设集中储水箱,而是储水箱、辅助加热系统按终端用户为单位独立设置的太阳能热水系统,太阳能集热器收集的热能转化成热媒通过循环管道输送至户内储热水箱中的换热装置进行换热来加热储热水箱中的水。当太阳光照不足时,或储热水箱中的水未达到设定温度时,用户可以使用储热水箱内置的辅助加热装置加热供用户使用。可采用电辅热或燃气热水器辅热。该系统具有以下特点:
1、该系统较适宜安装在多层或小高层公寓住宅中,大高层由于屋面面积不够只能在上部的部分楼层采用;
2、系统集热器集中放置,有利于建筑一体化设计;
3、集热器集中使用,可以实现集热器资源共享,降低运行成本;
4、集热器楼顶放置,不受楼间距影响,集热器采光好系统效率高;
5、集中收集太阳能并转化为热量,通过热媒加热每户储热水箱中热水,不存在热水计量等问题,减少纠纷;
6、建筑入住率较低时,不影响用户使用太阳能热水系统;
7、储热水箱分户放置、分户控制可满足用户不同用水的使用要求。
该系统初投资较分户承压型低;系统运行较稳定,运行成本较低;将热水储存于每户中,整个系统的管路在建筑中也不影响建筑美观。
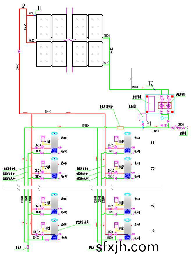
1.1.2、集中集热——分户储热闭式系统运行原理说明
(1)系统循环:
A、集热循环:系统循环采用定温温差循环,即当集热器出水口温度T1大于设定温度(45℃,可调)时,且集热器出水口温度T1≥T2管道温度(5℃,可调)时,系统循环泵启动,系统进行循环,将集热器内的高温热煤通过管道和每户水箱里的盘管进行循环换热,盘管将热量传导给水箱内的低温水。当集热器出水口温度T1低于设定温度(45℃,可调)时,或集热器出水口温度T1与管道温度T2的温差小于2℃(可调)时,系统循环泵停止运行。
B、户内水箱循环换热:室内控制仪检测水箱的温度T3和每户主管道上的温度T4,当主管道T4温度>室内水箱T3温度5℃(温度差可调)时,户用每层的电动阀打开,最底层的三通电动阀拨向用户水箱循环进口将主管道高温热煤和室内水箱里的盘管进行循环换热,盘管将热量导给水箱内的低温水。当T4温度与T3温度的温差小于2℃(温度差可调)时,电动阀关闭。
当每天系统第一次运行时,由于晚上或太阳不足时,长时间系统不运行,每户的主管道温度低于每户的水箱温度,每户的电动阀处于关闭状态,而太阳能集热器出口温度T1大于45度,且高于T2温度5℃时,系统启动水泵循环,这时最底层用户的三通电动阀拨向用户水箱循环出水端和主管道循环。
(2)防冻控制:
可设计管道电加热进行循环防冻(循环介质为水)。当系统管道温度T2低于温度3℃时,管道辅助电加热器启动,同时循环泵启动,当系统管道温度T2高于温度7℃时,管道辅助电加热器与循环泵关闭。注:控制系统中温度可调。
也可设计采用防冻液介质循环换热。太阳能集热循环系统可采用乙二醇防冻液介质,零下20℃以内不会结冰,有效保护整个系统。
(3)系统定压:
当太阳能热水系统压力由于热胀冷缩现象压力升高时,热水系统通过膨胀水箱吸收系统压力升高部分,当系统压力继续升高到达设定值,系统通过TP温度压力安全阀,即泄压阀将压力保持在恒定值。
(4)过热保护控制:
当室内水箱温度高于设定值时,水箱前的电动阀将不会打开进水箱管道,此时储热水箱不再得热,避免水箱内水温过高,同时也避免了水箱内热量通过循环而流失。当太阳能各分户水箱均不再需要得热而系统还有富余热量时,即系统管道温度T2高于设定温度(80℃,可调)时,TP温度压力安全阀将自动开启,把过剩的热量散掉。注:温度设定可调。
(5)室内辅助加热:
每户室内水箱控制仪自动设置,定时、定温加热:在设定时间段内,当室内水箱温度低于设定温度5℃时,电加热自动启动;当室内水箱温度达到设定值时,电加热停止工作。该功能也可手动控制。
另外,建议可考虑统一让用户另设燃气热水器作为辅助热源。
(6)自动补水:
用户水箱补水:当用水器具打开时,自来水从底部对室内水箱进行补水,将室内水箱中的热水从水箱上部顶出去。在补水的同时也保证了用户的用水压力。
集热循环系统补水:集热循环系统为闭式承压运行,自来水经过Y型过滤器过滤后,无需控制,自动补充至循环管道内。设计防冻液为循环介质时,可设补液口,可手动补液。
1.1.3、集中集热——分户储热闭式系统运行原理图
1.2、集中集热——分户储热真空管开式太阳能热水系统
1.2.1、开式系统特点分析及介绍
集中集热——分户储热真空管开式系统,与闭式系统相比,就是在屋面再增加设计一个开式过渡水箱,集热器与此过渡水箱进行循环,此过渡水箱再与楼下每户室内的换热水箱进行循环换热。
此系统解决了闭式系统的一个主要问题,就是闭式系统所有循环管道为闭式承压运行,一旦循环管道泄漏,整套系统瘫痪。而此开式系统则运行更加稳定可靠。但是相对闭式系统来说。
集中集热——分户储热真空管开式太阳能热水系统导热介质为水,运行稳定,安装复杂,与闭式系统的成本价格相等。
1.2.2、集中集热——分户储热开式系统运行原理说明
1、太阳能系统设计为温差循环系统,正常情况下,太阳能吸收到的热量储存在过渡水箱中。当太阳能出水口的温度高于过渡水箱内的温度4-8度(可设定)时,太阳能循环泵启动,将过渡水箱内低水温的水送入太阳能集热器,将高水温的热水顶入过渡水箱,把热量储存到过渡水箱中(一次循环)。
当过渡水箱内的温度与管道末端的温度差大于5-8度时,换热循环泵启动(二次循环),把太阳能吸收到的热量换热给各住户贮水箱。
2、太阳能系统为非承压系统;各户为承压系统。
3、各住户控制器用来显示户内贮水箱温度、控制换热电磁阀和辅助电加热;
4、各个住户贮水箱内辅助电加热具有定温、定时功能、自动和手动转化功能;
5、当住户贮水箱温度与管道温度差大于(4-8)度时(可设定),户内电磁阀打开,否则关闭,避免热量倒流现象。
1.2.3、集中集热——分户储热开式系统运行原理图
二、集中集热-集中储热-分户计量-真空管开式太阳能热水系统
2.1、系统特点分析及介绍
此系统太阳能集热器集中安装在屋顶,能够和建筑完美结合,系统简单、成熟、运行可靠。能够很好的吸收太阳光。
每户都要安装水表计量,有公摊能源水,有少量的公摊能源电(热水循环水泵用电),物业不便于管理,要收每户的水电费用,成本价格和阳台壁挂相当。
集中集热——集中储热辅热式太阳能热水系统一般应用于商业建筑、工农业建筑及其它公共类建筑等,很少有应用于住宅类项目的。
但此系统在整个太阳能热水工程行业里来说又是最普遍存在的。可以应用于大多数不同的场所,如:学校、酒店、医院、宿舍楼、商业场所、幼儿园、工厂、企事业单位等等。
集中集热-集中储热辅热式太阳能热水系统是在建筑屋顶安装一整套太阳能集中集热系统,加上集中储热水箱,再集中设置辅助加热,可采用电加热、空气源热泵、燃气锅炉等设备,直接对储热水箱进行辅助加热。然后从储热水箱直接供热水至各个用水点。为了物业便于管理,也可以不安装辅助热源,太阳能的水直接进户,每户由用户自行安装辅助热源燃气热水器,太阳能的水直接进每户的燃气热水器,如果太阳能的水温不够,可以经过燃气热水器二次加热。
如果在住宅项目中应用此系统,一般需考虑向住户收费和管理等问题,可在入户热水管上加装热水计量表来计量每户用热水量,便于管理及收费(如学校用热水,每个用水点设IC卡收费)。但正因为牵涉到此种问题,才会导致很少有住宅项目采用此方式的系统。
特点分析:
(1)可以实现热水资源共享,不受楼层高低限制;
(2)便于根据建筑情况灵活布局,可以实现与建筑物相协调;
(3)只有一个系统,运行可靠,上楼维修率低,楼面太阳能可由物业负责维护管理;
(4)系统投资较低,运行较稳定,运行成本低,技术成熟。
(5)辅助能源用量受天气阴晴影响,不便于核算运行成本和费用;
(6)运行过程中,热水需要收费;收费标准制定不当,易造成物业和住户的矛盾。
(7)需要在楼顶放置一个大储热水箱,建筑设计需考虑楼顶承重问题。
2.2、集中集热——集中储热辅热式太阳能系统运行原理图及说明
集中集热——集中储热辅热式太阳能系统,一般采用温差强制循环直接加热式,而集中储水必须设置集中储热水箱,有采用一个水箱的,也有采用双水箱的。我们这里以单水箱来做运行原理说明。
(1)太阳能温差循环加热
在正常日照情况下,集热器中的水被加热,当集热器内水温达到温差上限设定值时,(可设定一般3℃-8℃)控制器使热水循环水泵自动启动,将水箱内下部较低温度的水打入集热器,将集热器内高温度的热水顶入贮热水箱;当集热器内水温低于温差下限设定值时,控制器使热水循环水泵自动停止。使之达到储热目的。(一般温差设定:5℃-8℃)
(2)储热水箱水温水位显示
1)水温显示:系统将温控仪探头设置在贮热水箱用水口处,可通过集中控制系统温度显示屏随时观察到储热水箱的热水温度。
2)水位显示:系统在储热水箱内设置了水位探头,可通过集中控制系统上的水位显示屏随时观察到贮热水箱的水量。
(3)辅助加热
集中集热-集中储热式太阳能系统均需要配备辅助热源,才能在阴雨天制造热水供住户使用,一般住宅建筑,如采用集中集热-集中储热-分户计量的方式,在使用辅助热源方面需建设方考虑采用何种热源。
这里按采用空气源热泵辅助的方式。储热水箱中的水温设定空气源热泵温度下限和上限,水箱温度低于空气源热泵温度下限启动空气源热泵,达到空气源热泵温度上限停止空气源热泵,空气源热泵温度下限一般设定50度,上限一般设定55度,任意设定。
(4)防冻循环
在太阳能集热器管路最低点安装温度探头,当该处温度下降到3℃时,控制器启动防冻循环程序,将储热水箱里的高温水送入管路,当该处温度上升到7℃时,控制器自动关闭防冻系统。
(5)循环供热水
在供热水总干管的最不利点安装有温度探头,使供热水总干管中始终充满热水,保证打开淋浴器数秒内既出热水,整套系统以人性化设计为宗旨、更加节能、节水。
(6)分户计量:在每户供水末端设置一个热水计量表。
2.3、集中集热——集中储热辅热式系统运行原理图

三、一体式太阳能热水器
3.1、特点分析及介绍
一体式太阳能热水器具有以下特点:结构紧凑、安装简便,热效率高,适合顶层用户、多层住宅(6层以内)或别墅安装使用,采用自然循环方式加热,无需另外安装循环泵,节省能源;采用电辅热、价格低,适合分户安装,无公摊能源,物业便于管理,产权明确。
但该种太阳能热水器不适合高层住宅安装使用,因为此系统占地面积大,如果高层建筑每户安装一台,楼顶面积不够,而且管道纵横复杂,且不易与建筑协调,影响美观。一般农村使用较多,城市一般为顶层用户私自安装,故不太适合一个小区大规模使用。如果多层住宅(6层以内)的建筑安装,必须预留管道井,必须是平屋顶,因为是斜屋顶安装面积不够,此系统的用水压力是高差压力,顶楼离太阳能近的使用太阳能热水水压小。
3.2、一体式太阳能热水器运行原理说明
(1)自然循环加热原理。
在正常日照情况下,阳光透过太阳热水器的全玻璃真空管外管,照射到内管表面的选择性吸收涂层上,辐射能被转化为热能,从而太阳能热水器中的水被加热,利用水温温度不同密度不一样的特点,热水自然上升到储热水箱中,相应水箱的冷水从管的下部进入真空管中,如此不断地进行热量传递,直至加热储热水箱中的水。如此循环,水箱中就储存了被太阳加热的热水。
(2)自动上水和水满自停
自动控制器根据设定可为定时自动上水,也可为手动上水,上水时间可根据用户需要自行设定。水箱内设温度探头和水位探头。上水达到设定值,自动停止上水。
(3)贮热水箱水温水位显示
1)水温显示
系统将温控仪探头设置在贮热水箱用水口处,用户可以通过电控箱温度显示仪随时观察到贮热水箱的热水温度。
2)水位显示
控制仪根据安装在水箱中的水位传感器自动显示水位。
(4)自动加热与储热
太阳能热水器内置电辅助加热功能,当储热水箱水温达不定用户用水设定温度时,控制器自动启动电加热装置,直到设定的用水温度。也可手动设定。
3.3、一体式太阳能热水器运行原理图


